卓越品质 科技创新
WSSRM-12/RM6-40.5全封闭全绝缘充气式环网开关设备

产品简介

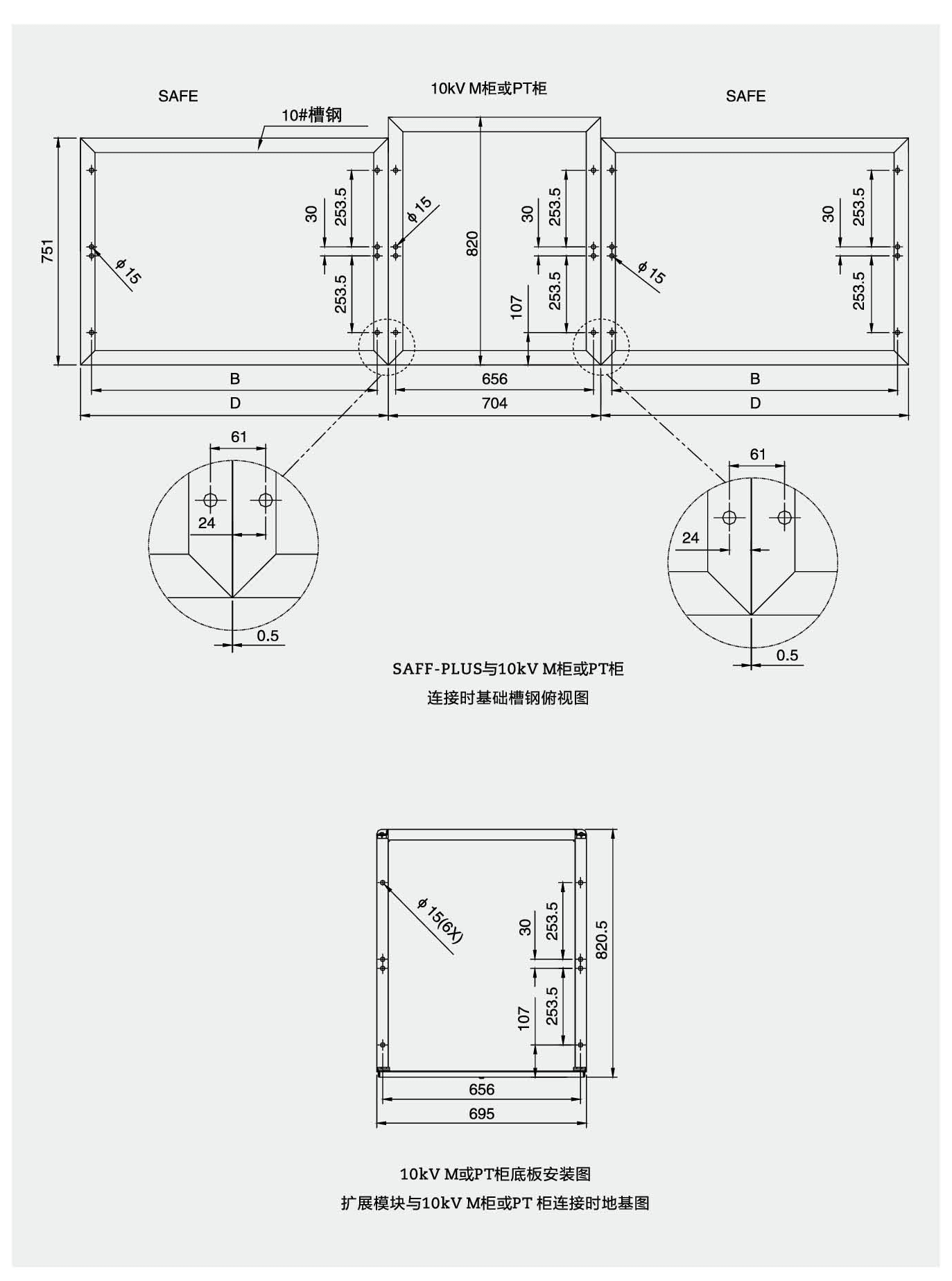
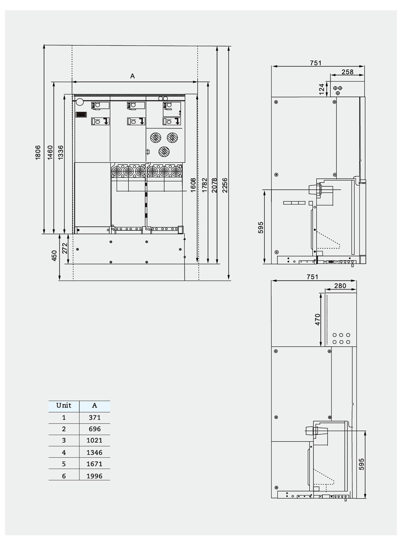
SRM6-12系列充气式开关柜安装在一个镀锌板框架上,开关单元在SF6气箱内,气箱由抗腐蚀和无磁性3mm厚不锈钢板制成。SF6气箱是一个“密封压力系统”在正常工作环境下可运行20年。SF6气体正常工作时压力为0.15~0.4br。气箱装有压力释放装置,当压力过高时,保证气体能从底部或后部释放。
联系我们
微信
微信